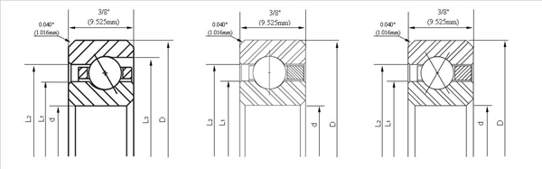
KC120AR0/CP0/XP0 等截面薄壁轴承
尺寸: 12"×12.75"×0.375"
材料:China GCr15,USA AISI E52100, Europe 100Cr6, Japan SUJ2
结构代码: A=角接触, C=径向(深沟), X= 四点接触
保持器:黄铜或尼龙
登录查看价格
材料:China GCr15,USA AISI E52100, Europe 100Cr6, Japan SUJ2
结构代码: A=角接触, C=径向(深沟), X= 四点接触
保持器:黄铜或尼龙
描述
大连优迈机电产品有限公司自从2013年就开始供应等截面薄壁轴承。我们的产品主要涵盖三个类型(角接触、深沟、四点接触)、七个系列的开式等截面薄壁轴承,截面积从3/16”*3/16”到1”*1”。我们同时也生产部分尺寸段的密封等截面薄壁轴承和非标定制等截面薄壁轴承。我们的产品主要以普通级为主,同时,我们也可以根据客户需要进行精密等截面薄壁轴承的非标定制。



